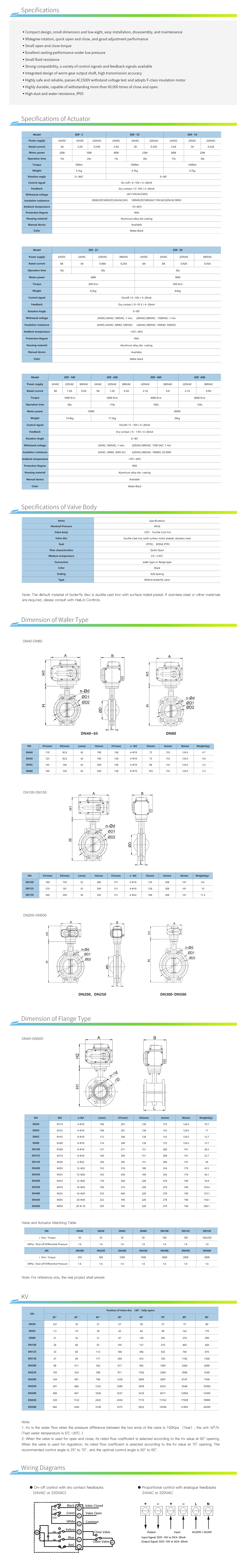
Van bướm điều khiển dòng EDF được ứng dụng trong hệ thống điều hòa không khí trung tâm và hệ thống sưởi ấm. Độ mở của van được điều chỉnh theo tín hiệu đầu ra analog (DC0/2~10V hoặc 4/0~20mA) từ PLC, DDC và bộ điều nhiệt để kiểm soát lưu lượng môi chất trong đường ống. Độ mở của van bướm điều khiển bằng động cơ luôn được giữ trong phạm vi cài đặt để đáp ứng việc kiểm soát chính xác lưu lượng, áp suất và nhiệt độ trong đường ống.

Địa chỉ: L17-11, Tầng 17, Toà nhà Vincom Center, 72 Lê Thánh Tôn, Phường Sài Gòn, Thành Phố Hồ Chí Minh, Việt Nam
Xưởng sản xuất: 290/61A Võ Thị Đầy, Xã Đông Thạnh, Thành Phố Hồ Chí Minh
MST: 0317407186
Email: info@tblcorp.vn
Hotline: +84 828 600 900 Zalo/WhatsApp/Tel
Website: https://tblcorp.vn
2023 Copyright © TBL Company . All rights reserved.
Đang online: 47 Tháng: 38575 Tổng truy cập: 662215










